元器件&模块解决方案
全国服务热线
400 1386 882
139 0230 5242
鼎悦官网
关于我们
企业介绍
品牌文化
品牌荣誉
品牌视频
公司历程
合作伙伴
88betway88
88betway88
58必威网站
88betway
58必威网
88必威
58必威网站
58必威苹果
58必威外网
58必威网
安全继电器
365betway
功率继电器
车载/DC功率继电器
固态继电器
MOS FET继电器
继电器用插座
欧姆龙微动开关
58必威外网
门用开关/电源开关
欧姆龙轻触开关
船型开关
365必威
工业用操作开关
DIP开关
拨码开关
带灯轻触开关
欧姆龙鼠标开关
欧姆龙触发开关
365必威
58必威
板对板连接
外部连接
IC插座
短路连接器
USB Type-C接口检测设备
TAB连接器
ZD连接器
印刷基板用端子台
58必威
反射型传感器
振动传感器/倾倒传感器
人脸识别传感器
IOT传感器
MEMS非接触温度传感器
MEMS压力传感器
微型位移传感器/测距传感器
粉尘传感器
MEMS风量传感器
MEMS流量传感器
流量计
压差传感器
宏发继电器
继电器模组
应用方案
产品应用
行业应用方案
车载设备
电脑相关
家电行业
能源行业
数码通讯
医疗行业
产业机械
楼宇安防
智能锁
微压差传感器应用方案
新能源电子部件解决方案
ATE行业解决方案
必威手机注册教程下载
技术支持
资料下载
开关资料下载
继电器资料下载
连接器资料下载
传感器资料下载
新闻动态
新品发布
新闻资讯
行业动态
公司动态
联系我们
首页
关于我们
关于我们
企业介绍
品牌文化
品牌荣誉
品牌视频
公司历程
合作伙伴
必威app官网下载安卓版苹果
必威app官网下载安卓版苹果
88betway88
58必威网站
88betway
58必威网
88必威
58必威网站
58必威苹果
应用方案
应用方案
产品应用
行业应用方案
必威手机注册教程下载
必威手机注册教程下载
技术支持
资料下载
新闻动态
新闻动态
新品发布
新闻资讯
行业动态
公司动态
联系我们
首页
88betway88
58必威网
MEMS流量传感器
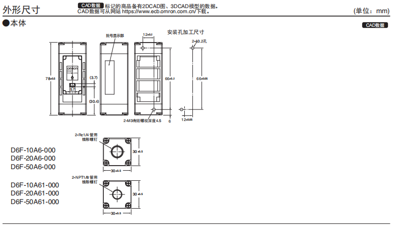
D6F-A6 小型流量欧姆龙传感器
D6F-A6 小型流量欧姆龙传感器
实现小型化 量程0~50L/min 流量域的高精度传感性能 可对10~50L/min的质量流量进行高精度检测。 实现长30mmX宽78mmX高30mm
立即咨询
种类
额定/性能
外形尺寸
注意事项
推荐产品
D6F-A7/-N7/-L7燃气流量欧姆龙传感器
D6F-A6 小型流量欧姆龙传感器
D6F-A5 空气流量欧姆龙传感器
D6F-N2/-L2 高精度流量欧姆龙传感器
点击咨询
电话咨询
400 1386 882
QQ咨询
3294649706
微信咨询
回到顶部
首页
88betway88
电话咨询
map