元器件&模块解决方案
全国服务热线
400 1386 882
139 0230 5242
鼎悦官网
关于我们
企业介绍
品牌文化
品牌荣誉
品牌视频
公司历程
合作伙伴
88betway88
88betway88
58必威网站
88betway
58必威网
88必威
58必威网站
58必威苹果
58必威外网
58必威网
安全继电器
365betway
功率继电器
车载/DC功率继电器
固态继电器
MOS FET继电器
继电器用插座
欧姆龙微动开关
58必威外网
门用开关/电源开关
欧姆龙轻触开关
船型开关
365必威
工业用操作开关
DIP开关
拨码开关
带灯轻触开关
欧姆龙鼠标开关
欧姆龙触发开关
365必威
58必威
板对板连接
外部连接
IC插座
短路连接器
USB Type-C接口检测设备
TAB连接器
ZD连接器
印刷基板用端子台
58必威
反射型传感器
振动传感器/倾倒传感器
人脸识别传感器
IOT传感器
MEMS非接触温度传感器
MEMS压力传感器
微型位移传感器/测距传感器
粉尘传感器
MEMS风量传感器
MEMS流量传感器
流量计
压差传感器
宏发继电器
继电器模组
应用方案
产品应用
行业应用方案
车载设备
电脑相关
家电行业
能源行业
数码通讯
医疗行业
产业机械
楼宇安防
智能锁
微压差传感器应用方案
新能源电子部件解决方案
ATE行业解决方案
必威手机注册教程下载
技术支持
资料下载
开关资料下载
继电器资料下载
连接器资料下载
传感器资料下载
新闻动态
新品发布
新闻资讯
行业动态
公司动态
联系我们
首页
关于我们
关于我们
企业介绍
品牌文化
品牌荣誉
品牌视频
公司历程
合作伙伴
必威app官网下载安卓版苹果
必威app官网下载安卓版苹果
88betway88
58必威网站
88betway
58必威网
88必威
58必威网站
58必威苹果
应用方案
应用方案
产品应用
行业应用方案
必威手机注册教程下载
必威手机注册教程下载
技术支持
资料下载
新闻动态
新闻动态
新品发布
新闻资讯
行业动态
公司动态
联系我们
首页
88betway88
58必威网站
58必威外网
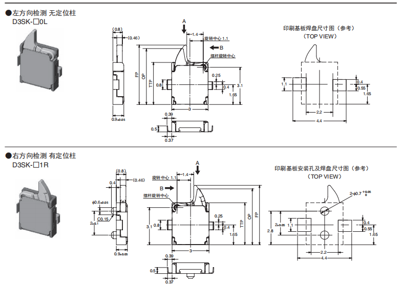
D3SK贴片检测欧姆龙开关
D3SK贴片检测欧姆龙开关
「社内较小级」可实现高精度动作的检测开关 (宽3.0mm×长3.5mm×厚0.9mm) 小型及薄型,为机器的小型化、薄型化作贡献。 特定的接点机构,实现了高精度的动作位置及高可靠性的接触。 长行程提高了使用的便捷性。 接触规格(1a、1b)及多种摆杆,可适合范围宽广的各种用途。
立即咨询
种类
额定/性能
外形尺寸
注意事项
推荐产品
D3SK
D3SK贴片检测欧姆龙开关
D2X
D2X 连接器形检测欧姆龙开关
D2A-1120
D2A 小型检测欧姆龙开关
D3SH 系列欧姆龙检测欧姆龙开关
点击咨询
电话咨询
400 1386 882
QQ咨询
3294649706
微信咨询
回到顶部
首页
88betway88
电话咨询
map